desktop mobile

I’d Like:

By submitting this form, you are consenting to receive product updates and company announcements from the Double E Group.

Summary

Traditional Bottom Anvils (Circular Knife Holders)

Three types available to suit all types of applications

Circular Knives (Bottom Anvils)

Free-locking - holders are locked by the knife shaft, typically an air expanding strip shaft.

Self-locking - ball bearings ride on an internal cam, clamping the self-locking ring around the shaft as it is rotated.

Multilock - Using a single grub screw, a flexible element tightens the multilock ring concentrically around the knife shaft eliminating problems with runout caused by set screw mounted holders.

Ø Ext. : Min 60 mm – Max 180 mm

Ø Int. : Min 40 mm – Max 150 mm

Product Information

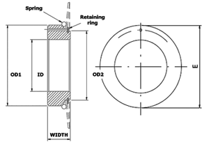
Free Locking Knife Holder / Bottom Cutting Anvil

Free Locking Knife Holder / Bottom Cutting Anvil ImageFree Locking Knife Holder / Bottom Cutting Anvil Diagram
Free Locking Knife Holder / Bottom Cutting Anvil Specs Chart


Self Locking Knife Holder / Bottom Cutting Anvil

Self Locking Knife Holder / Bottom Cutting Anvil imageSelf Locking Knife Holder / Bottom Cutting Anvil Diagram
Self Locking Knife Holder / Bottom Cutting Anvil Chart


Knife Holder with Multi Lock / Bottom Cutting Anvil

Knife Holder with Multi Lock / Bottom Cutting Anvil ImageKnife Holder with Multi Lock / Bottom Cutting Anvil Diagram
Knife Holder with Multi Lock / Bottom Cutting Anvil Chart

Product Finder Lead Image Product Finder Lead Image mobile
PRODUCT FINDER

Which products are best for you?

icon

Back to Top

icon